


File No.:E75887 *

File No.:R 50304236

Contact Ratings
| Contact Arrangement | 1A, 1C |
|---|---|
| Contact Resistance | ≤50mΩ (1A 24VDC) |
| Contact Material | AgSnO |
| Contact Rating (Resistive) | N.O.:100A/14VDC N.C.:100A/14VDC |
| Max. Switching Voltage | 75VDC |
| Max. Switching Current | 100A |
| Max. Switching Power | 1400W |
| Mechanical Life | 1×106 operations |
| Electrical Life | See more details at “safety approval ratings” |
Characteristics
| Insulation Resistance | 100MΩ (at 500VDC) | |
|---|---|---|
| Dielectric Strength | Between coil & contacts | 500VAC 1min |
| Between open contacts | 500VAC 1min | |
| Operate time (at nomi. volt.) | ≤12ms | |
| Release time (at nomi. volt.) | ≤5ms | |
| Humidity | 85% RH | |
| Operation temperature | -40°C~+85°C | |
| UL Class F | Insulation System Class F | |
| Shock Resistance | 294m/s2 | |
| Vibration resistance | 10Hz ~ 55Hz 1.27mm DA | |
| Unit weight | Approx. 46g | |
| Construction | Sealed Type, Dust Cover Type, Flux Tight Type | |
Notes: The data shown above are initial values.
Ordering Information
| CAR | F | 1C | P | 100 | DC12- | S- | 680R- | D- | 2015- | XXXX |
|---|---|---|---|---|---|---|---|---|---|---|
| Model | F: Class F Blank: Class B | 1A=1 Form A 1C=1 Form C | P: PC Pin Blank: Quick Connect | 100:100A | Coil Voltage | S: Sealed Type Blank: Dust Cover Type E: Flux Tight Type | Resistor 680Ω 12V Coil & 2700Ω 24V Coil Blank:No Resistor | D: Diode Blank: No Diode | 2015:Special Type Blank:Standard Type | Customer Code |
Notes:
1. PC board assembled with dust cover type and flux tight type relays can not be washed and/or coated.
2. Dust cover type and flux tight type relays can not be used in the environment with dust, or H2S, SO2, NO2 or similar gaseous environment etc.
3. -2015=UL RECOGNIZED
4. It is recommended when switching maximum load the vent hole be opened by removing the protrusion for removing inside gasses created by heat.
Coil Data at 25°C
| Nominal Voltage VDC | Operate Voltage (Max.) VDC | Release Voltage (Min.) VDC | *Max. Allowable Voltage VDC | Coil Resistance Ω±10% |
|---|---|---|---|---|
| 6 | 4.2 | 0.6 | 7.8 | 20 |
| 12 | 8.4 | 1.2 | 15.6 | 80 |
| 24 | 16.8 | 2.4 | 31.2 | 320 |
Note:”*Max Allowable Voltage”: The relay coil can endure max allowable voltage for a short period time only.
Coil
| Coil Power | 1800mW |
|---|
Safety Approval Ratings
| UL&CUL | N.O.:100A 14VDC, 50°C, 6×103 OPS N.O.:70A 14VDC, 50°C, 6×103 OPS(CARF1AP100DCXX-S-2015-5352) |
|---|---|
| TüV | N.O./N.C.:100A/14VDC, 1×105 OPS CARFIAP100DC24-S-2015-5352:70A/14VDC, 85°C, 2×104 OPS |
NOTES:
1. All values without specified temperature are at 25°C.
2. The above lists the typical loads only. Other loads may be available upon request.
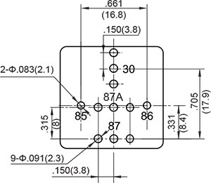
OUTLINE DIMENSIONS,WIRING DIAGRAM AND PC BOARD LAYOUT. Unit: inch(mm)
Outline Dimensions
Standard Type
Quick Connect

PC Pin

Wiring Diagram
(Bottom view)
1A

PCB Layout
(Bottom view)
Quick Connect

PC Pin

Outline Dimensions
Special Type
Quick Connect

PC Pin

Wiring Diagram
(Bottom view)
1C

PCB Layout
(Bottom view)
Quick Connect

PC Pin
* The tolerance without indicating for PCB layout is always ±0.1mm.
Unless otherwise specified tolerances are:
| ≤1mm | >1mm and ≤5mm | >5mm |
| ±0.2mm | ±0.3mm | ±0.4mm |
PACKAGING SPECIFICATION
| BLISTER BOX | INNER CARTON | OUTER CARTON | OUTER CARTON SIZE |
|---|---|---|---|
| 20PCS | 100PCS | 400PCS | L375mm*W280mm*H400mm |
APPLICATION GUIDELINES
Automatic Wave Soldering
* Wave solder is the optimum method for soldering.
* Adjust the level of solder so that it does not overflow onto the top of the PC board.
* Unless otherwise specified, solder under the following conditions depending on the type of relay.
| Preheat time 20°C-100°C | Rising slope 20°C-120°C | Decreasing slope Peak-150°C | Slodering temperature 255°C-265°C |
|---|---|---|---|
| 90±5 seconds | <3°C/s | <4°C/s | 3~5s |
Hand Soldering
* Keep the tip of the soldering iron clean.
| Solder lron | 30W or 60W |
|---|---|
| lron Tip Temperature | Approx. 350°C 662°F |
| Solder Time | Within approx. 3 seconds |
* Immediate air cooling is recommended to prevent deterioration of the relay and surrounding parts due to soldering heat.
* Although the sealed type relay can be cleaned, avoid immersing the relay into cold liquid (such as washing solvent) immediately after soldering. Doing so may deteriorate the sealing performance.
Discard the dropped product

