

Features
- High contact rating 40A
- High temperature design
- 1 Form A and 1 Form C arrangements
- Quick connect and P.C.Board terminals
- Mounting Tab option

File No.:E75887

File No.:R 50451203

Contact Ratings
| Contact Arrangement | 1A, 1C |
|---|---|
| Contact Resistance | ≤50mΩ (1A 24VDC) |
| Contact Material | AgSnO |
| Contact Rating (Resistive) | N.O.:40A/14VDC N.C.:30A/14VDC |
| Max. Switching Voltage | 75VDC |
| Max. Switching Current | 40A |
| Max. Switching Power | 560W |
| Mechanical Life | 1×106 operations |
| Electrical Life | See more details at “safety approval ratings” |
Characteristics
| Insulation Resistance | 100MΩ (at 500VDC) | |
|---|---|---|
| Dielectric Strength | Between coil & contacts | 500VAC 1min |
| Between open contacts | 500VAC 1min | |
| Operate time (at nomi. volt.) | ≤10ms | |
| Release time (at nomi. volt.) | ≤10ms | |
| Operation temperature | -40°C~+85°C | |
| UL Class B/F | Insulation System Class B/F | |
| Shock Resistance | 147m/s2 | |
| Vibration resistance | 10Hz ~ 40Hz 1.27mm DA | |
| Unit weight | Approx. 30g | |
| Construction | Sealed Type, Dust Cover Type, Flux Tight Type | |
Notes:
1) The data shown above are initial values.
2) Please find coil temperature curve in the characteristic curves.
Ordering Information
| CAR | F | T | 1C | P | 40 | DC12- | S- | SH- | 680R- | D- | M- | XXXX | |
|---|---|---|---|---|---|---|---|---|---|---|---|---|---|
| Model | F: Class F Blank: Class B | T: Mounting Tab Blank: No Mounting Tab | 1A=1 Form A 1C=1 Form C | P: PC Pin Blank: Quick Connect | 40: 40A | Coil Voltage | S: Sealed Type Blank: Dust Cover Type E: Flux Tight Type | SH: Shrouded W: Weatherproof Blank: Standard Housing | Resistor 680Ω 12V Coil & 2700Ω 24V Coil Blank: No Resistor | D: Diode Blank: No Diode | M: Metal tab Blank: Plastic tab | Customer Code |
Notes:
1) Shrouded and weather proof available only in metal tab.
2) For more details, please contact us directly.
3) PC board assembled with dust cover type and flux tight type relays can not be
washed and/or coated.
4) Dust cover type and flux tight type relays can not be used in the environment
with dust, or H2S, SO2, NO2 or similar gaseous environment etc.
Coil Data at 25°C
| Nominal Voltage VDC | Operate Voltage (Max.) VDC | Release Voltage (Min.) VDC | *Max. Allowable Voltage VDC | Coil Resistance Ω±10% |
|---|---|---|---|---|
| 6 | 4.2 | 0.6 | 7.8 | 20 |
| 12 | 8.4 | 1.2 | 15.6 | 80 |
| 24 | 16.8 | 2.4 | 31.2 | 320 |
| 36 | 25.2 | 3.6 | 46.8 | 720 |
| 48 | 33.6 | 4.8 | 62.4 | 1280 |
Note:”*Max Allowable Voltage”: The relay coil can endure max allowable voltage for a short period time only.
Coil
| Coil Power | 1800mW |
|---|
Safety Approval Ratings
| UL&CUL | N.O.:40A 14VDC, Resistive, 6×103 OPS N.O.:15A 24VDC, Resistive, 6×103 OPS N.C.:30A 14VDC, Resistive, 6×103 OPS N.C.:15A 24VDC, Resistive, 6×103 OPS CAR1A40DC12-S: N.O.:5.83A 18VDC, Pilot duty. |
|---|---|
| TüV | N.O.:20A 28VDC, 1×105 OPS N.O.:40A 14VDC, 1×105 OPS N.O./N.C.:20A/10A 28VDC, 1×105 OPS N.O./N.C.:40A/20A 14VDC, 1×105 OPS |
NOTES:
1. All values without specified temperature are at 25°C.
2. The above lists the typical loads only. Other loads may be available upon request.
OUTLINE DIMENSIONS Unit: inch(mm)
Quick Connect

PC Pin

Shrouded Metal tab

Unless otherwise specified tolerances are:
| ≤1mm | >1mm and ≤5mm | >5mm |
| ±0.2mm | ±0.3mm | ±0.4mm |
Plastic tab

Weatherproof Metal tab

Unless otherwise specified tolerances are:
| ≤1mm | >1mm and ≤5mm | >5mm |
| ±0.2mm | ±0.3mm | ±0.4mm |
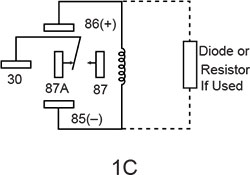
WIRING DIAGRAM AND PC BOARD LAYOUT. Unit: inch(mm)
Wiring Diagram
(Bottom view)


PCB Layout
(Bottom view)
Quick Connect

PC Pin

* The tolerance without indicating for PCB layout is always ±0.1mm.
CHARACTERISTIC CURVES
1.Load limit curve(at 25°C)

This chart takes NO contact, resistive load as example.
2. Ambient temperature curve of the electrical endurance test

(1) The minimum temperature is -40°C.
(2) The maximum temperature is 85°C.
PACKAGING SPECIFICATION
| BLISTER BOX | INNER CARTON | OUTER CARTON | OUTER CARTON SIZE |
|---|---|---|---|
| 20PCS | 100PCS | 400PCS | L375mm*W280mm*H400mm |
APPLICATION GUIDELINES
Automatic Wave Soldering
* Wave solder is the optimum method for soldering.
* Adjust the level of solder so that it does not overflow onto the top of the PC board.
* Unless otherwise specified, solder under the following conditions depending on the type of relay.
| Preheat time 20°C-100°C | Rising slope 20°C-120°C | Decreasing slope Peak-150°C | Slodering temperature 255°C-265°C |
|---|---|---|---|
| 90±5 seconds | <3°C/s | <4°C/s | 3~5s |
Hand Soldering
* Keep the tip of the soldering iron clean.
| Solder lron | 30W or 60W |
|---|---|
| lron Tip Temperature | Approx. 350°C 662°F |
| Solder Time | Within approx. 3 seconds |
* Immediate air cooling is recommended to prevent deterioration of the relay and surrounding parts due to soldering heat.
* Although the sealed type relay can be cleaned, avoid immersing the relay into cold liquid (such as washing solvent) immediately after soldering. Doing so may deteriorate the sealing performance.
Discard the dropped product

