
Features
- Dielectric strength(between contact and coil): 5000V
- 16A switching capacity
Agency Approval
Pending

File No.:R 50492934

Contact Ratings
| Contact Arrangement | 1A |
|---|---|
| Contact Resistance | ≤100mΩ (1A 6VDC) |
| Contact Material | AgSnO |
| Contact Rating (Resistive) | 16A 277VAC, 2×104(Resistive, 85°C) 600W 120VAC, 2.5×104(Incandescent lamp, 50°C) 8A 277VAC, 6×103(Standard ballast, 50°C) 5A 120VAC, 6×103(Electronic ballast, 40°C) 5A 240VAC, 2.5×104(TV-5, 40°C) |
| Max. Switching Voltage | 277VAC |
| Max. Switching Current | 16A |
| Max. Switching Power | 4432VA |
| Mechanical Life | 1×106 operations |
| Electrical Life | See more details at “safety approval ratings” |
Characteristics
| Insulation Resistance | 1000MΩ (at 500VDC) | |
|---|---|---|
| Dielectric Strength | Between coil & contacts | 5000VAC 1min |
| Between open contacts | 1000VAC 1min | |
| Operate time (at nomi. volt.) | ≤15ms | |
| Release time (at nomi. volt.) | ≤15ms | |
| Humidity | 5 to 85% R.H. | |
| Operation temperature | -40°C~+85°C | |
| UL Class F | Insulation System Class F | |
| Shock Resistance | Functional | 100m/s2(half-wave pulse of sine wave:10ms, Detection time:10μs) |
| Destructive | 1000m/s2(half-wave pulse of sine wave:6ms) | |
| Vibration Resistance | Functional | 10Hz to 55Hz 1.5mm DA(Detection time:10μs) |
| Destructive | 10Hz to 55Hz 3mm DA | |
| Unit weight | Approx. 7.7g | |
| Construction | Flux Tight Type, Sealed Type | |
Notes: The data shown above are initial values.
Ordering Information
| HAP01 | F | 1A | 16 | DC12 – | 2 | L – | E – | XXXX |
|---|---|---|---|---|---|---|---|---|
| Model | F:Class F | 1A=1 Form A | 16:16A | Coil Voltage | 2:2 coils Blank:1 coil | L:Latching LR:Reverse Polarity | E:Flux Tight Type S:Sealed Type Blank:Cover Type | Customer Code |
Notes:
1. PC board assembled with dust cover type and flux tight type relays can not be washed and/or coated.
2. Dust cover type and flux tight type relays can not be used in the environment with dust, or H2S, SO2, NO2 or similar gaseous environment etc.
Coil Data at 25°C
| Nominal Voltage VDC | Set/Reset Voltage (Max.) VDC | *Impulse Width (Min.) ms | Coil Resistance Ω±10% | ||
|---|---|---|---|---|---|
| 1 Coil | 2 Coils | ||||
| Set coil | Reset coil | ||||
| 3 | 2.4 | 30 | 45 | 22.5 | 22.5 |
| 5 | 4.0 | 30 | 125 | 62.5 | 62.5 |
| 6 | 4.8 | 30 | 180 | 90.0 | 90.0 |
| 9 | 7.2 | 30 | 405 | 202.5 | 202.5 |
| 12 | 9.6 | 30 | 720 | 360.0 | 360.0 |
| 24 | 19.2 | 30 | 2880 | 1440.0 | 1440.0 |
* For the Set time/Reset time it is recommended to use a minimum 30 ms pulse duration for the nominal coil voltage to compensate for varying ambient temperature and relay aging.
Coil
| Coil Power | 1 Coil: 200mW 2 Coils: 400mW |
|---|
Safety Approval Ratings
| Other agency approval (Pending) | Resistive:16A 277VAC, 85°C Resistive:5A 30VDC, 85°C Incandescent lamp:600W 120VAC, 50°C Standard ballast:8A 277VAC, 50°C Electronic ballast:5A 120VAC, 40°C TV-5:5A 240VAC, 40°C |
|---|---|
| TüV (Pending) | N.O.:16A 277VAC, 85°C, 2×104 OPS N.O.:16A 277VAC, 60°C, 5×104 OPS N.O.:8A 125VAC, 85°C, 5×104 OPS N.O.:5A 347VAC, 85°C, 5×104 OPS N.O.:5A 30VDC, 85°C, 5×104 OPS |
NOTES:
1. All values without specified temperature are at 25°C.
2. The above lists the typical loads only. Other loads may be available upon request.
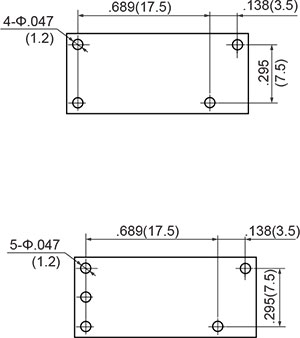
OUTLINE DIMENSIONS, WIRING DIAGRAM AND PC BOARD LAYOUT. Unit: inch(mm)
Outline Dimensions

Wiring Diagram
(Bottom view)
1 coil latching type

2 coil latching type

PCB Layout
(Bottom view)

* The tolerance without indicating for PCB layout is always ±0.1mm.
Unless otherwise specified tolerances are:
| ≤1mm | >1mm and ≤5mm | >5mm |
| ±0.2mm | ±0.3mm | ±0.4mm |
Notice
1. Relay is on the “reset” or “set” status when being released form stock, with the consideration of shock risen from transit and relay mounting, relay would be changed to “set” or “reset” status, therefore, when application (connecting the power supply), please reset the relay to “set” or “reset”status on request.
2. Do not energize voltage to “set” coil and “reset” coil simultaneously. And also long energized time (more than 1 min) should be avoided.
PACKAGING SPECIFICATION
| BLISTER BOX | OUTER CARTON | OUTER CARTON SIZE |
|---|---|---|
| 100PCS | 1000PCS | L390mm*W270mm*H140mm |
APPLICATION GUIDELINES
Automatic Wave Soldering
* Wave solder is the optimum method for soldering.
* Adjust the level of solder so that it does not overflow onto the top of the PC board.
* Unless otherwise specified, solder under the following conditions depending on the type of relay.
| Preheat time 20°C-100°C | Rising slope 20°C-120°C | Decreasing slope Peak-150°C | Welding temperature 255°C-265°C |
|---|---|---|---|
| 90±5 seconds | <3°C/s | <4°C/s | 3~5s |
Hand Soldering
* Keep the tip of the soldering iron clean.
| Solder lron | 30W or 60W |
|---|---|
| lron Tip Temperature | Approx. 350°C 662°F |
| Solder Time | Within approx. 3 seconds |
* Immediate air cooling is recommended to prevent deterioration of the relay and surrounding parts due to soldering heat.
* Although the sealed type relay can be cleaned, avoid immersing the relay into cold liquid (such as washing solvent) immediately after soldering. Doing so may deteriorate the sealing performance.
Discard the dropped product

