

Features
- 4kV Type: 4000VAC high dielectric strength (between contacts and coil)
- Max. switch capacity up to 40A
- Wide contact gap available
- Suitable for .25″(6.35mm) Q.C. terminals

File No.:E75887

File No.:R 50194653

Contact Ratings
| Contact Arrangement | 1A, 1B, 1C |
|---|---|
| Contact Resistance | ≤50mΩ(1A 24VDC) |
| Contact Material | 30A(non-Cd only), 40A(Cd, non-Cd) |
| Contact Rating (Resistive) | 30A/40A 277VAC, 30A/28VDC |
| Max. Switching Voltage | 277VAC/28VDC |
| Max. Switching Current | 40A |
| Max. Switching Power | 11080VA/840W |
| Mechanical Life | 1×107 operations |
| Electrical Life | See more details at “safety approval ratings” |
Characteristics
| Insulation Resistance | 1000MΩ (at 500VDC) | |
|---|---|---|
| Dielectric Strength | Between coil & contacts | 2000/2500/4000VAC 1min |
| Between open contacts | 1500VAC 1min | |
| Operate time (at nomi. volt.) | ≤15ms | |
| Release time (at nomi. volt.) | ≤10ms | |
| Humidity | 98% RH | |
| Operation temperature | DC:-55°C~+85°C; AC:-55°C~+60°C | |
| UL Class B/F/H | Insulation System Class B/F/H | |
| Shock Resistance | Functional | 98m/s2 |
| Destructive | 980m/s2 | |
| Vibration resistance | 10Hz to 55Hz 1.5mm DA | |
| Unit weight | Approx. 36g | |
| Construction | Sealed Type, Dust Cover Type, Open Type, Flux Tight Type | |
Notes:
1) The data shown above are initial values.
2) Please find coil temperature curve in the characteristic curves.
Ordering Information
| HAT | F | 902 | ET | C | S | 30 | DC | 12 – | 2 – | 4K – | ISN – | X – | XXXX |
|---|---|---|---|---|---|---|---|---|---|---|---|---|---|
| Model | F:Class F H:Class H Blank:Class B | 902:PCB Pins & Quick Connects | ET:External Termianal Blank:Standard | A:SPST-NO B:SPST-NC C:SPDT | Blank:Open Type C:Dust Cover Type S:Sealed Type E:Flux Tight Type | 30:30A Blank or 40:40A | Coil:AC or DC | Coil Voltage | Contact Gap:Blank=Standard(0.6mm) 1.5=1.5mm 2=2mm 3=2.6mm Form B and Form C available with standard gap only | 4K:4kV Dielectric withstand voltage 2.5K:2.5kV Dielectric withstand voltage Blank:2kV Dielectric withstand voltage | Blank:Cd ISN:Non-Cd | U:Alternative structure Blank:Standard structure | Customer Code |
Notes:
1. PC board assembled with dust cover type and flux tight type relays can not be washed and/or coated.
2. Dust cover type and flux tight type relays can not be used in the environment with dust, or H2S, SO2, NO2 or similar gaseous environment etc.
Coil Data at 25°C
DC
| Nominal Voltage VDC | Operate Voltage (Max.) VDC | Release Voltage (Min.) VDC | *Max. Allowable Voltage VDC | Coil Resistance Ω±10% |
|---|---|---|---|---|
| 5 | 3.75 | 0.50 | 6.50 | 27 |
| 6 | 4.50 | 0.60 | 7.80 | 40 |
| 9 | 6.75 | 0.90 | 11.70 | 97 |
| 12 | 9.00 | 1.20 | 15.60 | 155 |
| 15 | 11.25 | 1.50 | 19.50 | 256 |
| 18 | 13.50 | 1.80 | 23.40 | 380 |
| 22 | 16.50 | 2.20 | 28.60 | 640 |
| 24 | 18.00 | 2.40 | 31.20 | 660 |
| 48 | 36.00 | 4.80 | 62.40 | 2560 |
| 110 | 82.50 | 11.00 | 143.00 | 13400 |
AC
| Nominal Voltage VAC | Operate Voltage (Max.) VAC | Release Voltage (Min.) VAC | *Max. Allowable Voltage VAC | Coil Resistance Ω±10% |
|---|---|---|---|---|
| 12 | 9.6 | 1.2 | 14.40 | 27 |
| 24 | 19.2 | 2.4 | 28.80 | 120 |
| 110 | 88.0 | 11.0 | 132.0 | 2360 |
| 120 | 96.0 | 12.0 | 144.0 | 3040 |
| 220 | 176.0 | 22.0 | 264.0 | 13490 |
| 240 | 192.0 | 24.0 | 288.0 | 15735 |
| 277 | 221.6 | 27.7 | 332.4 | 20300 |
Note:
“*Max Allowable Voltage”: The relay coil can endure max allowable voltage for a short period time only
Coil
| Coil Power | DC:Approx. 900mW AC:2VA |
|---|
Safety Approval Ratings
| UL&CUL | Cd Contact (40A) | N.O.:30A 28VDC; N.C.:30A/28VDC, 6×103 OPS N.O.:10A 480VAC; N.C.:10A 480VAC, 6×103 OPS N.O.:20A 240VAC, 25×104 OPS N.O.:30A 277VAC; N.C.:30A 277VAC, G.P., 6×103 OPS N.O.:40A 277VAC; N.C.:40A 277VAC, G.P., 6×103 OPS N.O.:40A 305VAC, G.P., 6×103 OPS N.C.:2A 480VAC, G.P., 6×103 OPS N.O.:1HP 120VAC; N.C.:1HP 120VAC, 6×103 OPS N.O.:2HP 277VAC; N.C.:2HP 277VAC, 6×103 OPS N.O.:1HP 120/208VAC, 1×105 OPS N.O.:10FLA, 30LRA, 240VAC; N.C.:10FLA, 30LRA, 240VAC, 6×103 OPS N.C.:12FLA, 30LRA, 120VAC, 6×103 OPS N.O.:30FLA, 90LRA, 120VAC, 1×105 OPS N.C.:5FLA, 15LRA, 120VAC, 3×104 OPS N.O.:8.8FLA, 52.8LRA, 240VAC, 1×105 OPS N.O.:20FLA, 60LRA, 277VAC, 1×105 OPS N.C.:20FLA, 60LRA, 277VAC, 1×105 OPS N.O.:20A 277VAC; N.C.:20A 277VAC, Ballast, 1×105 OPS N.O.:30A 120VAC Ballast, 6×103 OPS N.C.:10A 277VAC Ballast, 6×103 OPS N.O.:15A 120VAC Tungsten, 6×103 OPS N.C.:2A 120VAC Tungsten, 6×103 OPS N.O.:16A 277VAC, Electronic Ballast, 6×104 OPS N.O.:TV8 277VAC N.O.:A300 Pilot Duty, 6×103 OPS N.O.:277VAC, 1100 VA Pilot Duty, 6×103 OPS |
|---|---|---|
| Non-Cd Contact (40A) | N.O.:30A 28VDC; N.C.:30A 28VDC, 6×103 OPS N.O.:40A 277VAC; N.C.:40A 277VAC, G.P., 6×103 OPS N.O.:30A 28VDC, G.P., 40°C, 6×103 OPS N.O.:40A 305VAC, G.P., -40°C to +40°C, 6×103 OPS N.O.:1HP 120VAC; N.C.:1HP 120VAC, 6×103 OPS N.O.:2HP 277VAC; N.C.:2HP 277VAC, 6×103 OPS N.O.:20A 277VAC Ballast, 6×103 OPS N.O.:30A 120VAC Ballast, 6×103 OPS N.O.:10A 277VAC, Electronic Ballast, 55°C, 6×103 OPS N.C.:10A 277VAC, Ballast, 6×103 OPS N.O.:15A 120VAC Tungsten, 6×103 OPS N.C.:5A 120VAC Tungsten, 6×103 OPS N.O.:TV8 277VAC N.O.:240VAC 5500W, 80°C, 1×105 OPS(HATF/H 902DC -U only, with vent hole opened)(pending) N.O.:208VAC 5500W, 80°C, 1×105 OPS(HATF/H 902DC -U only, with vent hole opened)(pending) | |
| Non-Cd Contact (30A) | N.O.:30A 28VDC, 6×103 OPS N.C.:20A 28VDC, 6×103 OPS N.O.:30A 277VAC, G.P., 6×103 OPS N.C.:20A 277VAC, G.P., 6×103 OPS N.O.:1HP 120VAC, 6×103 OPS N.C.:1HP 277VAC, 6×103 OPS N.O.:2HP 277VAC, 6×103 OPS N.C.:1/4HP 120VAC, 6×103 OPS N.O.:20A 277VAC Ballast, 6×103 OPS N.C.:10A 277VAC Ballast, 6×103 OPS N.O.:15A 120VAC Tungsten, 6×103 OPS N.C.:2A 120VAC Tungsten, 6×103 OPS | |
| TüV | Cd Contact (40A) | N.O.:40A 277VAC; N.C.:40A 277VAC, 1×104 OPS N.O.:40A 28VDC; N.C.:40A 28VDC, 1×104 OPS N.O./N.C.:40A(make)/30A(break) 277VAC, 8×103 OPS N.O./N.C.:40A(make)/30A(break) 28VDC, 6×103 OPS |
| Non-Cd Contact (40A) | N.O.:40A 277VAC, 85°C, 1×104 OPS N.O.:40A 277VAC, 5×104 OPS N.C.:40A 277VAC, 1×104 OPS N.O.:40A 28VDC; N.C.:40A 28VDC, 1×104 OPS N.O./N.C.:40A(make)/30A(break) 277VAC, 1×104 OPS N.O./N.C.:40A(make)/30A(break) 28VDC, 1×104 OPS | |
| Non-Cd Contact (30A) | N.O./N.C.:20A(make)/15A(break) 240VAC, 1×104 OPS N.O./N.C.:20A(make)/15A(break) 14VDC, 1×104 OPS |
NOTES:
1. All values without specified temperature are at 25°C.
2. The above lists the typical loads only. Other loads may be available upon request.
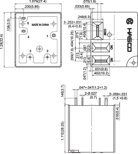
OUTLINE DIMENSIONS, WIRING DIAGRAM AND PC BOARD LAYOUT. Unit: inch(mm)
Outline Dimensions
HAT902

HAT902ET

Wiring Diagram
(Bottom view)
1A

1B

1C

PCB Layout
(Bottom view)
1A

1B

1C

Unless otherwise specified tolerances are:
| ≤1mm | >1mm and ≤5mm | >5mm |
| ±0.2mm | ±0.3mm | ±0.4mm |
Characteristic Curves
Maximum Switching Power

Endurance Curve

Coil Temperature Rise

Operate Time / Release Time

PACKAGING SPECIFICATION
| BLISTER BOX | OUTER CARTON | OUTER CARTON SIZE |
|---|---|---|
| 20PCS | 500PCS | L700mm*W190mm*H210mm |
APPLICATION GUIDELINES
Automatic Soldering
* Flow solder is the optimum method for soldering.
* Adjust the level of solder so that it does not overflow onto the top of the PC board.
* Unless otherwise specified, solder under the following conditions depending on the type of relay.
| Preheat time 20°C-100°C | Rising slope 20°C-120°C | Decreasing slope Peak-150°C | Welding temperature 255°C-265°C |
|---|---|---|---|
| 90±5 seconds | <3°C/s | <4°C/s | 3~5s |
Hand Soldering
* Keep the tip of the soldering iron clean.
| Solder lron | 30W or 60W |
|---|---|
| lron Tip Temperature | Approx. 350°C 662°F |
| Solder Time | Within approx. 3 seconds |
* Immediate air cooling is recommended to prevent deterioration of the relay and surrounding parts due to soldering heat.
* Although the sealed type relay can be cleaned, avoid immersing the relay into cold liquid
(such as washing solvent) immediately after soldering. Doing so may deteriorate the sealing performance.
Discard the dropped product

