
Features
- 50A switching capabilities
- DPST-N.O. and DPDT configuration
- Meets 8mm spacing,4K VAC dielectric strength
- Meets UL Class F insulation system
- Dust cover or sealed version & PCB or QC Terminal
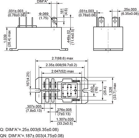
- Outline Dimensions:(52.0×33.7×26.7)mm

File No.:E75887

File No.:R 50491935

File No.:CQC21002292049

Contact Ratings
| Contact Arrangement | 2A, 2C |
|---|---|
| Contact Resistance | ≤50mΩ(1A 24VDC) |
| Contact Material | AgSnO |
| Contact Rating (Resistive) | N.O.:50A/277VAC, 30A/30VDC N.C.:3A/277VAC |
| Max. Switching Voltage | 277VAC/30VDC |
| Max. Switching Current | 50A/40A |
| Max. Switching Power | 13850VA/1200W |
| Mechanical Life | 5×106 operations |
| Electrical Life | See more details at “safety approval ratings” |
Characteristics
| Insulation Resistance | 1000MΩ (at 500VDC) | |
|---|---|---|
| Dielectric Strength | Between coil & contacts | 4000VAC 1min |
| Between open contacts | 1500VAC 1min | |
| Between contacts sets | 2000VAC 1min | |
| Operate time (at nomi. volt.) | ≤25ms | |
| Release time (at nomi. volt.) | ≤25ms | |
| Humidity | 5% ~ 85% RH | |
| Operation temperature | DC:-40°C~+85°C, AC:-40°C~+65°C | |
| UL Class F | Insulation System Class F | |
| Shock Resistance | Functional | 98m/s2 |
| Destructive | 980m/s2 | |
| Vibration resistance | 10Hz ~ 55Hz 1.65mm DA | |
| Unit weight | Approx. 86g | |
| Construction | Sealed Type, Dust Cover Type, Flux Tight Type | |
Notes: The data shown above are initial values.
Ordering Information
| HAT904 | F | 2C | DC | 12 | Q | C – | XXXX |
|---|---|---|---|---|---|---|---|
| Model | F:Class F | Form: 2A=2 Form A, 2C=2 Form C | DC=DC Type AC=AC Type 50Hz/60Hz 5AC=AC Type 50Hz 6AC=AC Type 60Hz | Coil Voltage | Blank:PC Pin Q/QN:Quick Connect/Flange Mounting Q: DIM“A”=6.35 QN: DIM“A”=4.75 | C:Dust Cover Type E:Flux Tight Type(Vent Hole not Sealed) Blank:Sealed Type | Customer Code |
Notes:
1. PC board assembled with dust cover type and flux tight type relays can not be washed and/or coated.
2. Dust cover type and flux tight type relays can not be used in the environment with dust, or H2S, SO2, NO2 or similar gaseous environment etc.
Coil Data at 25°C
DC
| Nominal Voltage VDC | Operate Voltage (Max.) VDC | Release Voltage (Min.) VDC | *Max. Allowable Voltage VDC | Coil Resistance Ω±10% |
|---|---|---|---|---|
| 5 | 3.8 | 0.5 | 8.0 | 15.3 |
| 6 | 4.5 | 0.6 | 9.6 | 22 |
| 12 | 9.0 | 1.2 | 19.2 | 86 |
| 24 | 18.0 | 2.4 | 38.4 | 350 |
| 28 | 21.0 | 2.8 | 44.8 | 470 |
| 48 | 36.0 | 4.8 | 76.8 | 1390 |
| 110 | 82.5 | 11.0 | 176.0 | 7255 |
AC
| Nominal Voltage VAC | Operate Voltage (Max.) VAC | Release Voltage (Min.) VAC | *Max. Allowable Voltage VAC | Coil Resistance Ω±10% | |
|---|---|---|---|---|---|
| 60 Hz | 50 Hz | ||||
| 12 | 9.6 | 2.4 | 13.2 | 8.00 | 9.5 |
| 24 | 19.2 | 4.8 | 26.4 | 35.7 | 45 |
| 120 | 96.0 | 24.0 | 132 | 830 | 1125 |
| 208 | 166.4 | 41.6 | 229 | 2600 | 3278 |
| 220 | 176.0 | 44.0 | 242 | 2870 | 3800 |
| 240 | 192.0 | 48.0 | 264 | 3800 | 4500 |
| 277 | 221.6 | 55.4 | 305 | 4700 | 5960 |
AC(50Hz/60Hz)
| Nominal Voltage VAC | Operate Voltage (Max.) VAC | Release Voltage (Min.) VAC | *Max. Allowable Voltage VAC | Coil Resistance Ω±10% | ||
|---|---|---|---|---|---|---|
| 50 Hz | 60 Hz | 50 Hz | 60 Hz | |||
| 120 | 88.0 | 96.0 | 22.0 | 24.0 | 132 | 950 |
| 208 | 160.0 | 166.4 | 40.0 | 41.6 | 229 | 2481 |
| 240 | 176.0 | 192.0 | 44.0 | 48.0 | 264 | 3800 |
| 277 | 200.0 | 221.6 | 50.0 | 55.4 | 305 | 5485 |
Note:
“*Max Allowable Voltage”: The relay coil can endure max allowable voltage for a short period time only.
Coil
| Coil Power | DC:Approx. 1700mW AC:Approx. 4.0VA |
|---|
Safety Approval Ratings
| UL&CUL | N.O. | 30A 277VAC/250VAC/240VAC/125VAC, General use & Resistive, 100K cycles, 85°C 1.5HP 120VAC, Motor, 50K cycles, 40°C 2HP 240VAC, Motor, 50K cycles, 40°C 2HP 600VAC, Motor, 100K cycles, 40°C 110LRA/25.3FLA 240VAC, Definite purpose, 100K cycles, 40°C |
|---|---|---|
| N.C. | 3A 277VAC/250VAC/240VAC/125VAC, General use & Resistive, 100K cycles, 85°C | |
| TüV | N.O. | 50A 277VAC, Resistive, 20k cycles 40A 277VAC, Resistive, 30k cycles 30A 120VAC/277VAC, Resistive, 200K cycles 20A 480VAC, Resistive, 100K cycles 10A 600VAC, Resistive, 100K cycles 20A 28VDC, Resistive, 100K cycles |
| N.C. | 3A 277VAC, Resistive, 100K cycles 3A 400VAC, Resistive, 30K cycles 2A 480VAC, Resistive, 100K cycles 1A 600VAC, Resistive, 100K cycles | |
| C.O. | N.O.: 30A 400VAC, N.C.: 3A 400VAC, 30K cycles | |
| CQC | N.O. | 50A 277VAC, Resistive, 20k cycles 30A 250VAC/400VAC, 30A/30VDC, 100K cycles |
| N.C. | 3A 250VAC/400VAC, 3A/30VDC, 100K cycles | |
| C.O. | N.O.: 30A 250VAC/400VAC, 30A/30VDC, 100K cycles N.C.: 3A 250VAC/400VAC, 3A/30VDC, 100K cycles |
NOTES:
1. All values without specified temperature are at 25°C.
2. The above lists the typical loads only. Other loads may be available upon request.
OUTLINE DIMENSIONS, WIRING DIAGRAM AND PC BOARD LAYOUT. Unit: inch(mm)
Outline Dimensions
PC Pin

Quick Connect

Wiring Diagram
(Bottom view)
2A

2C

PCB Layout
(Bottom view)


Unless otherwise specified tolerances are:
| ≤1mm | >1mm and ≤5mm | >5mm |
| ±0.2mm | ±0.3mm | ±0.4mm |
PACKAGING SPECIFICATION
| BLISTER BOX | OUTER CARTON | OUTER CARTON SIZE |
|---|---|---|
| 30PCS | 120PCS | L420mm*W330mm*H210mm |
APPLICATION GUIDELINES
Automatic Soldering
* Flow solder is the optimum method for soldering.
* Adjust the level of solder so that it does not overflow onto the top of the PC board.
* Unless otherwise specified, solder under the following conditions depending on the type of relay.
| Preheat time 20°C-100°C | Rising slope 20°C-120°C | Decreasing slope Peak-150°C | Welding temperature 255°C-265°C |
|---|---|---|---|
| 90±5 seconds | <3°C/s | <4°C/s | 3~5s |
Hand Soldering
* Keep the tip of the soldering iron clean.
| Solder lron | 30W or 60W |
|---|---|
| lron Tip Temperature | Approx. 350°C 662°F |
| Solder Time | Within approx. 3 seconds |
* Immediate air cooling is recommended to prevent deterioration of the relay and surrounding parts due to soldering heat.
* Although the sealed type relay can be cleaned, avoid immersing the relay into cold liquid
(such as washing solvent) immediately after soldering. Doing so may deteriorate the sealing performance.
Discard the dropped product

