

Features
- 35A switching capability
- Surge voltage up to 6kV (between coil and contacts)
- 1 Form C and 1 Form A configurations available
- Dust Cover Type, Flux Free Type and Sealed Type is available
- Creepage Distance up to 6mm
- Outline Dimensions: 21.6mm×16.0mm×20.6mm

File No.:E75887

File No.:R 50390115

Contact Ratings
| Contact Arrangement | 1A, 1C |
|---|---|
| Contact Resistance | ≤100mΩ (1A 24VDC) |
| Contact Material | AgSnO |
| Contact Rating (Resistive) | N.O.:35A/277VAC N.C.:16A/277VAC |
| Max. Switching Voltage | 277VAC |
| Max. Switching Current | 35A |
| Max. Switching Power | 9695VA |
| Mechanical Life | 1×105 operations(frequency 9,000 operations/hr) |
| Electrical Life | See more details at “safety approval ratings” |
Characteristics
| Insulation Resistance | 100MΩ (at 500VDC) | |
|---|---|---|
| Dielectric Strength | Between coil & contacts | 4000VAC 1min |
| Between open contacts | 1500VAC 1min | |
| Operate time (at nomi. volt.) | ≤15ms | |
| Release time (at nomi. volt.) | ≤10ms | |
| Humidity | 85% | |
| Operation temperature | -40°C~+85°C(105°C for Class H) | |
| Class F/H | Insulation System Class F/H | |
| Shock Resistance | Functional | 10G |
| Destructive | 100G | |
| Vibration resistance | 10Hz ~ 50Hz 1.0mm DA | |
| Unit weight | Approx. 15g | |
| Construction | Sealed Type, Dust Cover Type, Flux Tight Type | |
Notes:
1) The data shown above are initial values.
2) Please find coil temperature curve in the characteristic curves.
Ordering Information
| HPK | F | 1C | 35 | DC12 – | E – | 1.5 – | XXXX |
|---|---|---|---|---|---|---|---|
| Model | F:Class F H:Class H | 1A:1 Form A 1C:1 Form C | 35:35A | Coil Voltage | C:Dust Cover Type S:Sealed Type E:Flux Tight Type | Contact Gap: Blank=Standard gap 1=1mm(Only for A) 1.5=1.5mm(Only for A) 2=2.1mm(Only for A) | Customer Code |
Notes:
1. PC board assembled with dust cover type and flux tight type relays can not be washed and/or coated.
2. Dust cover type and flux tight type relays can not be used in the environment with dust, or H2S, SO2, NO2 or similar gaseous environment etc.
Coil Data at 25°C
| Nominal Voltage VDC | Operate Voltage (Max.) VDC(1) | Release Voltage (Min.) VDC | Holding Voltage at 85°C VDC(2) | Coil Resistance Ω±10% |
|---|---|---|---|---|
| 6 | 4.8 | 0.30 | 1.92~2.16 | 22 |
| 9 | 7.2 | 0.45 | 2.88~3.24 | 49 |
| 12 | 9.6 | 0.60 | 3.84~4.32 | 86 |
| 24 | 19.2 | 1.20 | 7.68~8.64 | 345 |
| 48 | 38.4 | 2.40 | 15.36~17.28 | 1380 |
Coil
| Power consumption at rated voltage | 1670mW |
|---|---|
| Power consumption at holding voltage | 190mW(2) |
Notes:
(1) To energize relay properly apply 100%~120% nominal coil voltage for 200ms.
(2) Coil holding voltage is 32~36% of nominal voltage after applying nominal voltage for 200ms.
Safety Approval Ratings
| UL&CUL | N.O.:35A 277VAC, 70°C, 5×104 OPS(HPKH only) N.O.:32A 277VAC, 85°C, 34×103 OPS(HPKH only) N.O.:25A 277VAC, 105°C, 5×104 OPS(HPKH only) N.O.:35A 277VAC Resistive, 24×103 OPS N.O.:25A 277VAC/35VDC, 40°C, 5×104 OPS N.O.:5A 120VAC E.Ballast, 40°C, 6×103 OPS N.O.:TV-8 277VAC N.C.:16A 277VAC, 40°C, 7×103 OPS N.C.:16A 277VAC, 85°C, 15×103 OPS(HPKH only) N.C.:32A Carry Current |
|---|---|
| TüV | N.O.:50A/30VDC, 25°C, 5×104 OPS N.O.:35A/277VAC, 25°C, 5×104 OPS N.O.:25A/277VAC, 105°C, 1×104 OPS N.O.:32A/277VAC, 85°C, 1×104 OPS N.O.:35A/277VAC, 70°C, 1×104 OPS |
NOTES:
1. All values without specified temperature are at 25°C.
2. The above lists the typical loads only. Other loads may be available upon request.
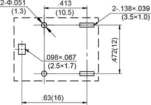
OUTLINE DIMENSIONS, WIRING DIAGRAM AND PC BOARD LAYOUT. Unit: inch(mm)
Outline Dimensions

Wiring Diagram
(Bottom view)
1A

1C

PCB Layout
(Bottom view)


* The tolerance without indicating for PCB layout is always ±0.1mm.
Unless otherwise specified tolerances are:
| ≤1mm | >1mm and ≤5mm | >5mm |
| ±0.2mm | ±0.3mm | ±0.4mm |
Characteristic Curves
Coil operating range (DC)

Operate time / Release time

PACKAGING SPECIFICATION
| BLISTER BOX | OUTER CARTON | OUTER CARTON SIZE |
|---|---|---|
| 30PCS | 1000PCS | L540mm*W200mm*H165mm |
APPLICATION GUIDELINES
Automatic Soldering
* Flow solder is the optimum method for soldering.
* Adjust the level of solder so that it does not overflow onto the top of the PC board.
* Unless otherwise specified, solder under the following conditions depending on the type of relay.
| Preheat time 20°C-100°C | Rising slope 20°C-120°C | Decreasing slope Peak-150°C | Welding temperature 255°C-265°C |
|---|---|---|---|
| 90±5 seconds | <3°C/s | <4°C/s | 3~5s |
Hand Soldering
* Keep the tip of the soldering iron clean.
| Solder lron | 30W or 60W |
|---|---|
| lron Tip Temperature | Approx. 350°C 662°F |
| Solder Time | Within approx. 3 seconds |
* Immediate air cooling is recommended to prevent deterioration of the relay and surrounding parts due to soldering heat.
* Although the sealed type relay can be cleaned, avoid immersing the relay into cold liquid
(such as washing solvent) immediately after soldering. Doing so may deteriorate the sealing performance.
Discard the dropped product

