

Features
- 10A switching capability
- 1 Form A and 1 Form C configurations
- Subminiature, standard PCB layout
- Sealed Type, Dust Cover Type and Flux Tight Type is available.

File No.:E75887

File No.:R 50325379

Contact Ratings
| Contact Arrangement | 1A | 1C | |
|---|---|---|---|
| Contact Resistance | ≤100mΩ (1A 24VDC) | ||
| Contact Material | AgSnO | ||
| Contact Rating (Resistive) | 1A | 1C | |
| N.O. | N.C. | ||
| 5A/250VAC 5A/30VDC 10A/125VAC | 5A/250VAC 5A/30VDC 10A/125VAC | 5A/250VAC 5A/30VDC | |
| Max. Switching Voltage | 250VAC/150VDC | ||
| Max. Switching Current | 10A | 5A | |
| Max. Switching Power | 1250VA/150W | ||
| Mechanical Life | 45×104 OPS | ||
| Electrical Life | 1A type:1×105OPS (5A 250VAC, Resistive load, Room temp., 1s on 1s off) 1C type:5×104OPS (N.O./N.C.:5A 250VAC, Resistive load, Room temp., 1.5s on 1.5s off) | ||
Characteristics
| Insulation Resistance | 1000MΩ (500VDC) | |
|---|---|---|
| Dielectric Strength | Between coil & contacts | 4000VAC 1min |
| Between open contacts | 750VAC 1min | |
| Operate time (at nomi. volt.) | ≤20ms | |
| Release time (at nomi. volt.) | ≤10ms | |
| Humidity | 85% | |
| Operation temperature | -40°C~+85°C | |
| UL Class F | Insulation System Class F | |
| Shock Resistance | Functional | 98m/s2 |
| Destructive | 980m/s2 | |
| Vibration resistance | 10Hz ~ 55Hz 1.5mm DA | |
| Unit weight | Approx. 7g | |
| Construction | Sealed Type, Dust Cover Type, Flux Tight Type | |
Notes:
1) The data shown above are initial values.
2) Please find coil temperature curve in the characteristic curves.
Ordering Information
| HPR | F | 1A | 12 – | 1 | S – | XXXX |
|---|---|---|---|---|---|---|
| Model | F:Class F | 1A:1 Form A 1C:1 Form C | Coil Voltage | 1:Dust Cover Type 2:Flux Tigth Type Blank:Sealed Type | S:Sensitive type(Only for 1 Form A) Blank:Standard type | Customer Code |
Notes:
1. PC board assembled with dust cover type and flux tight type relays can not be washed and/or coated.
2. Dust cover type and flux tight type relays can not be used in the environment with dust, or H2S, SO2, NO2 or similar gaseous environment etc.
Coil Data at 25°C
Standard Type
| Nominal Voltage VDC | Operate Voltage (Max.) VDC | Release Voltage (Min.) VDC | *Max. Allowable Voltage VDC | Coil Resistance Ω±10% |
|---|---|---|---|---|
| 5 | 3.75 | 0.25 | 6.5 | 63 |
| 6 | 4.50 | 0.30 | 7.8 | 90 |
| 9 | 6.75 | 0.45 | 11.7 | 202 |
| 12 | 9.00 | 0.60 | 15.6 | 360 |
| 24 | 18.0 | 1.20 | 31.2 | 1440 |
Sensitive Type(Only for 1 Form A)
| Nominal Voltage VDC | Operate Voltage (Max.) VDC | Release Voltage (Min.) VDC | *Max. Allowable Voltage VDC | Coil Resistance Ω±10% |
|---|---|---|---|---|
| 5 | 3.75 | 0.25 | 7.5 | 125 |
| 6 | 4.50 | 0.30 | 9.0 | 180 |
| 9 | 6.75 | 0.45 | 13.5 | 405 |
| 12 | 9.00 | 0.60 | 18.0 | 720 |
| 24 | 18.0 | 1.20 | 36.0 | 2800 |
Note:”*Max Allowable Voltage”: The relay coil can endure max allowable voltage for a short period time only.
Coil
| Coil Power | Standard Type: 400mW |
|---|---|
| Sensitive Type: 200mW 36 |
Safety Approval Ratings
| UL&CUL | N.O.:5A 250VAC, 100°C, 5×104OPS N.O.:5A 30VDC, 100°C, 2×104OPS N.O.:10A 125AC, 100°C, 5×104OPS N.O.:1/6HP 125VAC, 40°C, 5×104OPS N.C.:5A 250VAC, 100°C, 5×104OPS N.C.:5A 30VDC, 100°C, 2×104OPS |
|---|---|
| TüV | N.O.:10A 125VAC, 2×104OPS N.C.:5A 250VAC, 5×104OPS N.C.:5A 30VDC, 5×104OPS N.O./N.C.:5A 250VAC, 5×104OPS N.O./N.C.:5A 30VDC, 5×104OPS |
NOTES:
1. All values without specified temperature are at 25°C.
2. The above lists the typical loads only. Other loads may be available upon request.
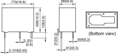
OUTLINE DIMENSIONS, WIRING DIAGRAM AND PC BOARD LAYOUT. Unit: inch(mm)
Outline Dimensions
1A

1C

Wiring Diagram
(Bottom view)
1A

1C

PCB Layout
(Bottom view)
1A

1C

* The tolerance without indicating for PCB layout is always ±0.1mm.
Unless otherwise specified tolerances are:
| ≤1mm | >1mm and ≤5mm | >5mm |
| ±0.2mm | ±0.3mm | ±0.4mm |
Characteristic Curves
Timing

Coil Temperature Rise

Life Curves

PACKAGING SPECIFICATION
| BLISTER BOX | INNER CARTON | OUTER CARTON | OUTER CARTON SIZE |
|---|---|---|---|
| 100PCS | 600PCS | 2400PCS | L375mm*W280mm*H400mm |
APPLICATION GUIDELINES
Automatic Soldering
* Flow solder is the optimum method for soldering.
* Adjust the level of solder so that it does not overflow onto the top of the PC board.
* Unless otherwise specified, solder under the following conditions depending on the type of relay.
| Preheat time 20°C-100°C | Rising slope 20°C-120°C | Decreasing slope Peak-150°C | Welding temperature 255°C-265°C |
|---|---|---|---|
| 90±5 seconds | <3°C/s | <4°C/s | 3~5s |
Hand Soldering
* Keep the tip of the soldering iron clean.
| Solder lron | 30W or 60W |
|---|---|
| lron Tip Temperature | Approx. 350°C 662°F |
| Solder Time | Within approx. 3 seconds |
* Immediate air cooling is recommended to prevent deterioration of the relay and surrounding parts due to soldering heat.
* Although the sealed type relay can be cleaned, avoid immersing the relay into cold liquid
(such as washing solvent) immediately after soldering. Doing so may deteriorate the sealing performance.
Discard the dropped product

