
Features
- Small size for high density mounting
- Up to 5000VAC Dielectric strength
- For inrush peak currents up to 80A

File No.:E75887

File No.:R50311399

Contact Ratings
| Contact Arrangement | 1A, 1C | 2A, 2C |
|---|---|---|
| Contact Resistance | ≤100mΩ (at 1A 24VDC) | |
| Contact Material | AgSnO | |
| Contact Rating (Resistive) | 20A/277VAC 16A/24VDC | 12A/240VAC 8A/24VDC |
| Max. Switching Voltage | 440VAC/300VDC | |
| Max. Switching Current | 20A | 12A |
| Max. Switching Power | 5540VA | 2880VA |
| Mechanical Life | 1×107 operations | |
| Electrical Life | See more details at “safety approval ratings” | |
Characteristics
| Insulation Resistance | 1000MΩ(at 500VDC) | |
|---|---|---|
| Dielectric Strength | Between coil & contacts | 5000VAC 1min |
| Between open contacts | 1000VAC 1min | |
| Between contacts sets | 2500VAC 1min | |
| Operate time (at nomi. volt.) | ≤10ms | |
| Release time (at nomi. volt.) | ≤10ms | |
| Humidity | 35% to 85% RH | |
| Operation temperature | -55°C~+85°C | |
| UL Class B/F | Insulation System Class B/F | |
| Shock Resistance | Functional | 29.4m/s2 |
| Destructive | 980m/s2 | |
| Vibration resistance | 10Hz ~ 150Hz 10g/5g | |
| Unit weight | Approx. 13.5g | |
| Construction | Sealed Type, Flux Tight Type | |
Notes: The data shown above are initial values.
Ordering Information
| SPR | F | 1C | 16 | DC12 | K – | E – | 2 | L – | W – | XXXX |
|---|---|---|---|---|---|---|---|---|---|---|
| Model | F:Class F Blank:Claas B | Contact arrangement: 1A:1 Form A 2A:2 Form A 1C:1 From C 2C:2 Form C | Contact Rating:16=1 Form 16A; 20=1 Form 20A;8=2 Form 8A | Coil Voltage | Pole Distance:K=5mm | E:Flux Tight Type Blank:Sealed Type | 2: 2 coils Blank:1 coil | L:Latching LR:Reverse Polarity | W:Pre-make Type | Customer Code |
Notes:
1. PC board assembled with dust cover type and flux tight type relays can not be washed and/or coated.
2. Dust cover type and flux tight type relays can not be used in the environment with dust, or H2S, SO2, NO2 or similar gaseous environment etc.
Coil Data at 25°C
| Nominal Voltage VDC | Action/Reset Voltage VDC | *Impulse Width ms | Coil Resistance Ω±10% | |
|---|---|---|---|---|
| 1 Coil | 2 Coils | |||
| 5 | 3.75 | ≥30 | 62 | 42 |
| 6 | 4.50 | ≥30 | 90 | 55 |
| 12 | 9.00 | ≥30 | 360 | 240 |
| 24 | 18.00 | ≥30 | 1440 | 886 |
| 48 | 36.00 | ≥30 | 5760 | —- |
| 60 | 45.00 | ≥30 | 7500 | —- |
| 110 | 82.50 | ≥30 | 25200 | —- |
* For the Set time/Reset time it is recommended to use a minimum 30 ms pulse duration for the nominal coil voltage to compensate for varying ambient temperature and relay aging.
Coil
| Coil Power | 1 Coil: 400mW(60V、110V:480mW) 2 Coils: 5V:595mW 6V:655mW 12V:600mW 24:650mW |
|---|
Safety Approval Ratings
| UL&CUL | 1 Form | N.O./N.C.:20A 277VAC(85°C), 6×103OPS N.O./N.C.:15 FLA 120VAC, Horse Power, 6×103OPS N.O./N.C.:15A/120VAC, Tunsgten, 6×103OPS N.O./N.C.:15A/120VAC, Ballast, 6×103OPS N.O.:10A 277VAC, Ballast, 6×103OPS |
|---|---|---|
| -W | N.O.:10A 250VAC, 6×103OPS N.O.:20A 120VAC, 6×103OPS N.O.:8A 120VAC, Tunsgten, 6×103OPS N.O.:7.2 FLA, 43LRA, 120VAC, Motor, 6×103OPS N.O.:4.9 FLA, 29LRA, 240VAC, Motor, 6×103OPS N.O.:8A 120VAC, Ballast, 6×103OPS N.O.:5A 240VAC, Ballast, 6×103OPS N.O.:8A 120VAC, Electronic Ballast, 6×103OPS | |
| 2 Form | N.O./N.C.:12A 240VAC, 6×103OPS | |
| TüV | 1 Form | N.O.:20A 277VAC, 6×103OPS N.O.:16A 277VAC, 5×104OPS N.O.:16A 24VDC, 5×104OPS N.C.:12A 277VAC, 2×104OPS N.O./N.C.:16A/8A 277VAC, 1×104OPS N.O./N.C.:16A/8A 24VDC, 1×104OPS |
| 2 Form | N.O./N.C.:8A/6A 240VAC, 2×104OPS N.O./N.C.:8A/6A 24VDC, 2×104OPS |
NOTES:
1. All values without specified temperature are at 25°C.
2. The above lists the typical loads only. Other loads may be available upon request.
OUTLINE DIMENSIONS, WIRING DIAGRAM AND PC BOARD LAYOUT. Unit: inch(mm)
Outline Dimensions
1 coil K Type
1A

Wiring Diagram
(Bottom view)
Straight Polarity

Reverse Polarity

PCB Layout
(Bottom view)

Outline Dimensions
1 coil K Type
1C

Wiring Diagram
(Bottom view)
Straight Polarity

Reverse Polarity

PCB Layout
(Bottom view)

Outline Dimensions
1 coil K Type
2A

Wiring Diagram
(Bottom view)
Straight Polarity

Reverse Polarity

PCB Layout
(Bottom view)

Outline Dimensions
1 coil K Type
2C

Wiring Diagram
(Bottom view)
Straight Polarity

Reverse Polarity

PCB Layout
(Bottom view)

Outline Dimensions
2 coils K Type
1A

Wiring Diagram
(Bottom view)
Straight Polarity

Reverse Polarity

PCB Layout
(Bottom view)

Outline Dimensions
2 coils K Type
1C

Wiring Diagram
(Bottom view)
Straight Polarity

Reverse Polarity

PCB Layout
(Bottom view)

Outline Dimensions
2 coils K Type
2A

Wiring Diagram
(Bottom view)
Straight Polarity

Reverse Polarity

PCB Layout
(Bottom view)

Outline Dimensions
2 coils K Type
2C

Wiring Diagram
(Bottom view)
Straight Polarity

Reverse Polarity

PCB Layout
(Bottom view)

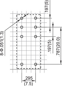
* The tolerance without indicating for PCB layout is always ±0.1mm.
Unless otherwise specified tolerances are:
| ≤1mm | >1mm and ≤5mm | >5mm |
| ±0.2mm | ±0.3mm | ±0.4mm |
Notice
1. Relay is on the “reset” or “set” status when being released from stock, with the consideration of shock risen from transit and relay mounting, relay would be changed to “set” or “reset” status, therefore, when application (connecting the power supply), please reset the relay to “set” or “reset”status as required.
2. Do not energize voltage to “set” coil and “reset” coil simultaneously. And also long energized time (more than 1 min) should be avoided.
PACKAGING SPECIFICATION
| TUBE | INNER CARTON | OUTER CARTON | OUTER CARTON SIZE |
|---|---|---|---|
| 40PCS | 1000PCS | 2000PCS | L580mm*W400mm*H175mm |
APPLICATION GUIDELINES
Automatic Soldering
* Flow solder is the optimum method for soldering.
* Adjust the level of solder so that it does not overflow onto the top of the PC board.
* Unless otherwise specified, solder under the following conditions depending on the type of relay.
| Preheat time 20°C-100°C | Rising slope 20°C-120°C | Decreasing slope Peak-150°C | Welding temperature 255°C-265°C |
|---|---|---|---|
| 90±5 seconds | <3°C/s | <4°C/s | 3~5s |
Hand Soldering
* Keep the tip of the soldering iron clean.
| Solder lron | 30W or 60W |
|---|---|
| lron Tip Temperature | Approx. 350°C 662°F |
| Solder Time | Within approx. 3 seconds |
* Immediate air cooling is recommended to prevent deterioration of the relay and surrounding parts due to soldering heat.
* Although the sealed type relay can be cleaned, avoid immersing the relay into cold liquid
(such as washing solvent) immediately after soldering. Doing so may deteriorate the sealing performance.
Discard the dropped product

